Grohe

Grohe New Rainshower 210 komplet brusesystem m/Shower Frame

Grohe New Rainshower 210 komplet brusesystem m/Shower FrameGrohe New Rainshower 210 komplet brusesystem m/Shower FrameGrohe New Rainshower 210 komplet brusesystem m/Shower FrameGrohe New Rainshower 210 komplet brusesystem m/Shower FrameGrohe New Rainshower 210 komplet brusesystem m/Shower Frame
Antal
Fragt: 0,-
11.899,-
VVS-nummer:722414764+SF
Leveringstid:1-2 hverdage
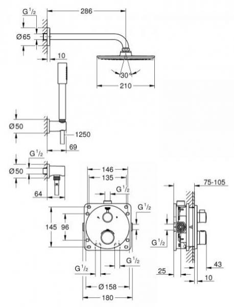
Hovedbruser:Med hovedbruser til væg
Størrelse på hovedbruser:210 mm
Vandsparer:Med vandsparer
Farve:Krom, poleret
Fri fragt fra 3.995,-

Grohe New Rainshower 210 komplet brusesystem m/Shower Frame

Komplet brusesystem til indbygning fra Grohe. Pakken indeholder: 

  • Grohe NEW Rainshower 210 komplet brusesystem til indbygning
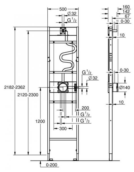
  • Grohe Rapido Shower Frame til skjult bruseinstallation - Mono - VVSnr. 722329074
  • Grohe lækagesikringer

 Fordele ved Shower Frame brusesæt til indbygning:

  • Flot og tidløst design
  • Sikker installation og testet for tæthed
  • Højdejusterbar hovedbruser
  • 10 års garanti på Shower Frame

En helt ny måde at tænke indbygget brusesystem på. Denne pakke indeholder ikke kun alle ydre dele og den indre SmartBox, men også det innovative Shower Frame-indbygningssystem.

Udover Shower Frame får du her det flotte brusesæt til indbygning med stor hovedbruser på 21 cm, samt en håndbruser i stick-form. Brusesystemet betjenes nemt med Grohtherm betjeningen med omskifter øverst og temperaturregulering nederst.

Hvad er en Grohe Shower Frame?

En Shower Frame er en ny måde at tænke indbygning af brus på. Med denne ramme er det enkelt og sikkert at installere og tilslutte alle dele, når brusesystemet skal indbygges.

Shower Frame er et komplet indbygningselement med alt, der behøves til et Grohe brusesystem til indbygning – inkl. Rapido SmartBox indbygningsdel.

Det enkle indbygningselement kan justeres bl.a. i højden og kræver kun én professionel VVS’er til installation. Grohe Shower Frame fås til både Mono og Duo-systemer og Grohe har 10 års garanti på indbygningselementet.

 
VIND gavekort på 1000 kr!
Tilmeld dig vores nyhedsbrev. Vinder for oktober: Kasper Bennedsen
Navn: 
E-mail: